【机情无限 精彩毕设】机械2024届毕业设计(论文)中期检查优秀案例分享第二十九期——多点压力传感器与测试系统设计
员工姓名:凌鹏
班级班级:测控2020-02班
指导教师:王雪梅
毕设题目:多点压力传感器与测试系统设计
一、概况
1.选题意义
关节置换手术是一种常见且非常成功的手术干预,经常被用于缓解疼痛和改善晚期髋关节关节炎的功能。但在关节置换手术过程中,临床医生通常根据自己的经验进行关节假体的安装,这种安装方式具有一定的不确定性,且安装错位可能会加速关节假体的磨损,以至于减少关节植入物的寿命。在手术的过程中,使用关节间压力传感器能够量化软组织平衡与接触力,有效提高了患者对于手术的满意程度。关节间压力传感器一种植入式设备,不仅提供治疗效果,还具有诊断能力,可以实现个性化医疗,优化个体患者的护理,在降低成本的同时改善结果作为诊断工具。
2. 任务分解
(1)查阅多点压力传感器相关资料并撰写文献综述
(2)多点压力传感器结构设计与压敏器件选型
(3)进行电路元件调研与主控芯片选型
(4)设计电路板并进行PCB印刷与SMT贴片
(5)通过蓝牙串口实现数据通信,并实现可视化分析
(6)完整进行多点压力传感测试系统实物测试
二、已完成工作
(1)敏感元件制备
压力传感器的制备需要考虑到传感器的结构、材料和加工方式的特点,解决传感器的阵列化、图形化和电气集成问题,实现激光诱导石墨烯(LIG)柔性压力传感阵列的低成本快速制造。传统的压力传感器阵列通常是由刚性材料制作而成的平面阵列,但是由于关节腔与关节假体形状复杂,不适合使用平面压力传感器阵列进行测量,需要设计具有柔性且能够适形关节曲面的压感阵列,从而高密度地精准捕捉关节腔内的压力信息。
图1. “诱导-切割-粘贴”一体化工艺
(2)压敏元件性能测试
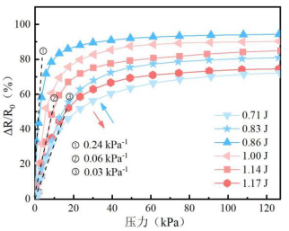
首先对不同刻蚀参数下的压力传感器的压敏曲线进行测试,结果表示,不同的激光刻蚀参数下,压力传感器的灵敏度和传感范围也不同。如图15所示,LIG压力传感器的灵敏度范围为0.03~0.24 kPa-1,传感范围为20~60 kPa(S > 0.002 kPa-1),电阻变化率最高可达到94 %。随着相对激光能量的升高,压力传感器灵敏度先升高(0.71~0.86 J),而后逐步降低(0.86~1.17 J),这或许是由LIG中不同级别的结构起主导作用引起的。
图2. 不同的激光刻蚀参数下压力传感器的压敏曲线
除压敏曲线外,压力传感器的最低检测限、响应特性和疲劳特性也是重要的指标,选取0.83 J/mm2(相对能量)刻蚀得到LIG压力传感器做进一步的测试。最低检测限反映了压力传感器能够产生响应的压力下限,表征了灵敏度特性。LIG压力传感器的最低检测限约45 Pa(图3a),对应的电阻变化范围大约为2 Ω。响应时间反映了压力传感器响应的速度,包含对压力的反应时间和压力撤去后的恢复时间。LIG压力传感器的上升响应时间约为200 ms,下降响应时间约为160 ms(图3b)。阶梯测试反映了传感器能够监测连续的压力变化(图3c)。传感器的疲劳特性表征了传感器的寿命,即传感器的耐用性。在8 kPa的1000次循环测试下,LIG压力传感器传感器的输出保持稳定(图3d),展现了良好的疲劳特性。

(a)最低检测限 (b) 响应时间

(c) 阶梯响应 (d) 疲劳测试
图3. 压敏单元的响应和疲劳测试
(2)压感阵列性能测试
为测试压感阵列的空间精度,我们在传感器阵列上分别放置了5 mm直径和2 mm直径的圆型磁铁。如图18所示,压感阵列能够准确分辨出磁铁的大小和位置,具有低至2 mm的空间精度。
(a) 5 mm直径磁铁 (b) 2 mm直径磁铁 (c) 5 mm和2 mm直径磁铁
图4. 阵列空间精度
(4)测试电路系统设计
为了方便临床医生在手术中使用,本次毕业设计采用蓝牙进行无线数据传输,进行了压感接收板设计,嵌入式程序编写,以及可视化界面设计。
系统的功能框图如图5所示,压力传感器阵列通过多路复用器和模数转换器(Analog-Digital Convertor, ADC)实时采集压感阵列数据,并通过低功耗蓝牙(Bluetooth Low Energy,BLE)片上系统(System on Chip, SoC)将数据传输到其它设备,实现无线的、持续的压力监测。
图5.整体系统设计框图与实物连接图
压感接收板设计
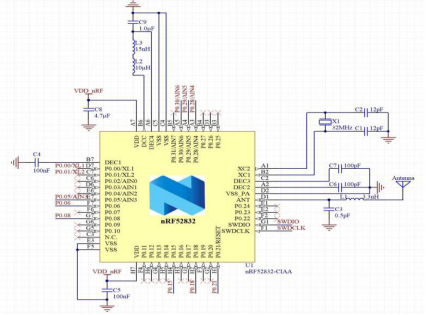
本次设计采用低功耗蓝牙芯片nRF52832作为控制器,实现电阻的测量和数据的传输。nRF52832以ARM Cortex M4为内核,是一种高性能超低功耗的无线收发器,支持蓝牙5,集成SPI/UART/GPIO等通用外设接口和12位ADC。本文利用nRF52832的蓝牙控制器属性将蓝牙数据收发和外设控制的功能集于一体,简化了电路设计,提高了电路的集成度。蓝牙模块的电路图如图6所示。
图6.蓝牙电路模块
测量电路部分,为实现阵列测量,我们采用多路复用器(ADG725)实现行和列的切换,以时分复用的方式逐步扫描整个阵列,以实现阵列数据的实时监测。ADG725是一个双16路复用器,最高可实现16×16阵列的时分复用扫描测量,并且以三线制SPI通信,接口数量少,电路简单。将复用器的输出接入分压电路,将分压节点接入主控模块的ADC,从而实现对传感器的阻值测量(图7)。
图7.多路选通测量模块电路
电源管理上,本文采用锂电池(标准电压3.7 V)和无线充电模块实现供电。为获取芯片供电电压3.3 V,采用线性降压芯片(TPS7A0233)将电池电压稳压至3.3 V(图8a)。为降低系统功耗,使用负载管理芯片(TPS22919DCKR)控制多路复用器的通断(图8b)。当蓝牙控制器被连接时,复用器连入电路,接入负载,实现数据测量。当蓝牙断开时,复用器断开,负载断开,进入休眠状态,此时电路中只有蓝牙芯片和稳压芯片工作,电流降低。经过测试,电路在工作时的电流有效值约为12 mA,休眠时电流有效值约为6 μA。
(a)稳压电路 (b)低负载控制电路
图8. 稳压与负载控制电路
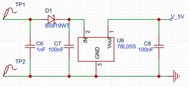
对于无线使用的低功耗蓝牙模块,需要解决充电与电源储存电路。本次毕业设计中设计了线圈无线充电和USB充电两种充电方式。通过整流二极管,线性稳压器78L05S,多个储能电容电路(如图9所示),得到稳定的5V电压,并输入电源管理模块中进行充电。USB充电方式(如图10所示)将MicroUSB中VBUS的5V供电端以及GND与电源管理模块BQS25170DSGR相连,实现充电功能。当电源充电时,STAT端口为低电平,VSET端口为高电平,LED2红灯导通,发出红光;当电源充电完成时,VSET端口为低电平,LED1绿地导通,发出绿光。
图9.线圈无线充电模块
图10. USB有线充电模块
为了实现压感阵列与压感接收板直接的数据交互,在两者上分别绘制FPC连接座,并通过一根32通道的FPC软连接线将两者相连,形成完整的压感接收蓝牙从机。
(3)完整系统功能测试
3.1 检测电路与可视化界面测试
本次设计绘制了一个10×10阵列的FPCB软板,并采用上述工艺将LIG与FPCB结合在一起(如图11所示),对整个压感平面进行受力极限测试,结果如12b所示,测试效果良好。
(a)完整压感传感器前端 (b)受力极限测试结果可视化
图11. 检测电路与可视化界面检测
3.2 假骨实验测试
将所设计的柔性传感器与关节假体贴附,如图13a所示。同时打开上位机可视化视窗,在实现蓝牙从机,蓝牙主机,上位机之间的数据交互后,进行假骨实验,如图12所示。

(a)传感器与假体贴附 (b)实验测试图
图12. 假骨测试图与可视化界面检测
假骨实验测试结果如图13所示。经过实验测试,发现在膝关节假体活动角度较少时,传感器检测结果与临床构想一致,整体力的大小无明显变化,力的分布随髌骨与滑车接触位置的变换而变换。但当膝关节活动角度较大时,整体检测效果不佳,其结果有待分析。

图13. 假骨测试结果图
三、下一步工作计划
1. 进一步进行剪纸结构设计,制作贴附性更好的压感接收阵列外形。
2. 在压感接收板电路尝试加上多路电压跟随器,尝试减弱串扰。
3. 进一步进行假体实验测试,争取能尽快进行大体实验和临床实验。
问题一:能否简单阐述整个系统工作的原理?
回答:压力传感器阵列通过多路复用器、上拉电阻和外部电源,将分压值输入蓝牙从机的模数转换器,同时打包整个阵列的数据并加上标志位,通过蓝牙将数据包无线传输到蓝牙主机,主机通过串口通讯将数据传输到上位机中进行蓝牙解包以及可视化显示。
问题二:为什么需要集成一个蓝牙模块后绘制电路板呢?
回答:蓝牙模块数据交互依赖天线,而使用NRF52832自带天线需要保证同一空间位置处没有其他有源元件以及覆铜,集成一个蓝牙模块可以节省板上空间。同时,集成蓝牙模块可以外加晶振等外设,丰富功能。
在毕业设计的过程中,我对于科研有了进一步的认知。从文献调研,到整体系统设计,再到每一个部分进度的推进。压力传感器应用非常广泛,可以用于机械、医疗等多个方面,现在的创新主要集中在材料创新和结构创新,以及一体化工艺的整理。检测电路需要集成很多功能,包括数据采集,信号处理,数据传输等,在元件选型、原理图绘制、电路板测试的过程中,我逐渐掌握一个目标明确的测试电路设计的方案,以及相应算法的编写。
毕业设计也让我对本专业—测控技术与仪器有了进一步的了解,感谢我的指导老师对我整体进度的把握与指点,感谢答辩委员会老师们提出的宝贵建议。