【机情无限 精彩毕设】机械2025届毕业设计(论文)中期检查优秀案例分享第十五期——中低速磁悬浮列车液压制动系统总体方案设计
员工姓名:孙芃
班 级:车辆2021-03班
指导教师:倪文波
毕设题目:中低速磁悬浮列车液压制动系统总体方案设计


一、概况
1.选题意义
中低速磁悬浮列车作为一种新型的城市轨道交通方式,凭借其低噪音、低振动、爬坡能力强、转弯半径小等优势,逐渐受到广泛关注。制动系统是保障磁悬浮列车安全运行的关键技术之一,其性能直接影响列车的运行效率和安全性。
在中低速磁悬浮列车中,设计合理的液压制动系统具有重要的工程意义。
一方面,能够确保列车在各种工况下准确、可靠地停车,有效避免因制动失效而引发的安全事故,保障乘客生命财产安全。
另一方面,优化的制动系统可以提高制动效率,减少制动过程中的能量损耗和部件磨损,降低运营成本,同时提升列车的运行舒适性和稳定性,增强磁悬浮交通系统在城市轨道交通领域的竞争力,促进城市轨道交通的可持续发展。
2.任务分解
原定工作安排

现如今已完成到细实线标记位置。
二、已完成工作
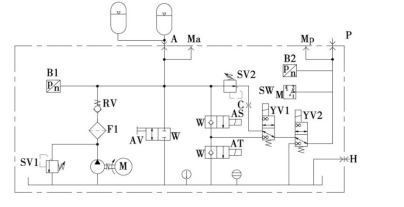
1.完成了液压系统的方案设计,依据车辆功能分析,完成液压系统配置图和液压系统原理图设计,如图1和图2。


图1 液压系统配置图 图2 液压系统原理图
该系统可用于中低速磁悬浮列车的紧急制动过程、常用制动电制动和停车制动功能。
2.根据液压系统原理图,完成了对液压系统各元件进行选型计算,完成了基础制动装置、各液压元件的建模以及对泵站的搭建工作。各元件及部件模型如图3~图13所示。

图3 基础制动装置布置图

图4 电磁换向阀模型 图5 单向阀建模

图6 二通换向阀建模 图7 过滤器建模

图8 减压阀建模 图9 手动卸荷阀建模

图10 电机齿轮泵建模 图11 溢流阀建模

图12 泵站搭建图 图13 蓄能器建模
3.采用AMESim软件,初步建立了系统仿真模型
(1)蓄能器充液过程仿真

图14 蓄能器充液仿真建模图 图15 蓄能器充液仿真结果图
(2)蓄能器在进行两次紧急制动工况仿真。
图16 液压制动系统总体仿真建模图

图17 两次紧急制动制动缸压力变化图 图18 两次紧急制动蓄能器压力变化图 图19 两次紧急制动蓄能器油液体积变化图
三、下一步工作计划
进一步对AMESim软件全车制动的建模与仿真进行学习与仿真,从而能更直观的反映出制动力的变化曲线(1.5周)。并完成基础制动装置与泵站的两张A0图的绘制(1.5周)。
在完成全部的仿真工作后,整理所有研究内容,开始对论文各部分进行撰写以及修改。预计将在5月20日之前完成所有内容。(2-3周)

问题一:基础制动装置中的制动缸尺寸如何选择的?有何种考量?
回答:在设计制动缸尺寸时我初步选定了直径30mm、35mm、40mm、45mm的制动缸并分别对制动力做了计算,在综合考量制动缸压力以及制动缸刚度后选定直径为40mm的制动缸其对应的压力为7MPa其收到的强度也满足我选定材料40Cr的强度范围。
问题二:对后续AMESim仿真还有什么需要优化的地方?
回答:在AMESim仿真分析环节,由于对AMESim仿真软件的了解程度有限,在进行全车液压系统制动仿真时,遇到了诸多阻碍例如全车AMESim仿真的建模与仿真运行。目前对该软件的操作与功能运用仅停留在较为基础的层面,难以充分发挥其在复杂液压系统仿真分析中的强大优势。为了能够更精准地对全车液压系统制动进行仿真,还需要投入大量精力,进一步深入学习AMESim仿真软件的各项功能、操作技巧以及相关的建模理论等知识。
时光如白驹过隙,本科毕业设计已悄然步入中期阶段。在本次中期检查中,我对《中低速磁悬浮列车液压制动系统总体设计》课题的推进情况进行了全方位复盘,其间收获了诸多宝贵经验,亦产生了深刻的感悟。
自开题伊始,我严格按照既定计划有序推进各项工作。在前期准备阶段,广泛学习了国内外相关文献资料,了解到了中低速磁悬浮列车的运行原理、制动需求,以及各类制动技术的特性。尤其针对液压制动系统在磁悬浮领域的应用现状、国内外研究及未来发展趋势,开展了重点研究,为后续设计工作夯实了理论基础。基于此并在导师的帮助下,我顺利完成了液压制动系统的总体方案设计,明确了系统的主要组成部分,确定了配置图与液压系统原理图。依据制动性能要求,对关键部件及各液压元件展开初步选型及参数计算。结合列车紧急制动需要的最小减速度、磁悬浮列车各工况等指标,计算出制动缸所需的制动力大小,进而确定其缸径与行程等参数。同时,运用soildworks完成了基础制动装置以及泵站的装配,学习了AMESim仿真软件,对液压系统进行了初步的仿真。
不过,在研究过程中,我也遭遇了诸多挑战。因为在此前对AMESim软件的了解仅仅停留在综合实训中的EP阀仿真,所以在重新学习该仿真软件时因查找的资料不全等原因使得进度总达不到预期,最后在指导老师的帮助下,通过对一些经典案例的学习,逐渐对该软件熟悉起来最终在中期检查之前完成了初步的仿真工作。
通过此次中期检查,我对毕业设计有了更为清晰的认识。目前虽已取得一定的阶段性成果,但距离完成高质量的毕业设计仍有很长的路要走。在后续工作中,我将持续完善液压制动系统的仿真工作。深入开展系统性能仿真分析,探究系统在各类工况下的制动效果,进一步优化系统参数。此外,加快完成基础制动装置与泵站的图纸绘制以及论文的撰写工作,严格遵循公司要求和毕业设计进度安排,有条不紊地推进各项任务,确保按时、高质量地完成毕业设计,为本科学习生涯画上圆满的句号。
这次中期检查是对毕业设计前半段工作的一次重要检验,让我清晰地看到了自身的进步与不足。在接下来的时间里,我将以更饱满的热情和严谨的态度投入到研究中,努力攻克难题,不断提升自身能力,力求在毕业设计中取得优异成绩。